機械式(指針式)タンクゲージ DLG型
レベル計・タンクゲージ液体防爆

DLG型
配水池や河川での測定に好適!水位変動に強いバランスタイプ水位計
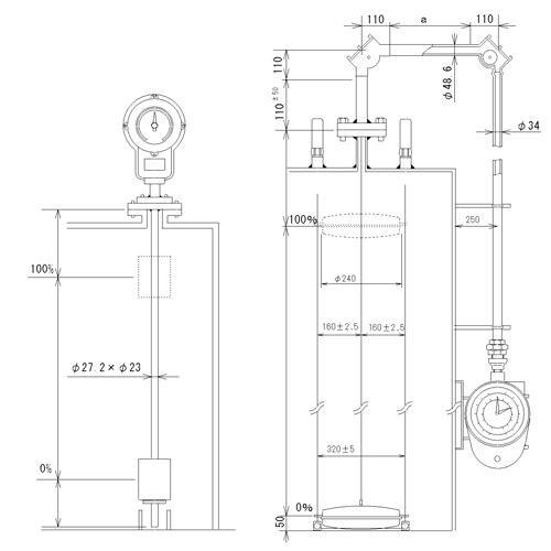
フロートとウェイトがバランスをとって測定するため、特に上下動の激しい水位測定に好適。電源は使用せず、液位の変動でプーリ―が回転し、ギヤを介して液位を現場で連続指示します。
また、プーリーはスリップ防止のドットと玉付ワイヤーロープの組み合わせとなっております。
【特長】
●フロートとウェイトがバランスをとって測定
●特に上下動の激しい水位測定に適する
●プーリーはスリップ防止のドットと玉付ワイヤーロープの組み合わせ
●防爆仕様:本質安全防爆構造ExiaII CT5(TIIS)
- 型式
DLG型
- 防爆仕様
本質安全防爆構造ExiaII CT5
用途
水、酸/アルカリ液体、原料液体、溶剤等、危険物液体のタンク内の液高を現場指示及び遠隔指示
取付イメージ

仕様
- 動作原理
タンク内の液にフロートが浮く時、ギヤーヘッド内部のスプリングと釣り合い、電源を使用せずに液位を現場で連続指示。
- 接液部材質
SUS304,SUS316,PVC,PTFE,FRP 他
- 使用温度
最大 120℃
- 耐圧
最大 3MPa
- 入力電源
AC100V/200V(±10%)50/60Hz, DC24V(2線式)
- 出力
DC4~20mA
- 標準取付寸法
JIS5K/40A, 10K/40Aフランジ 他
型式コード

